
PM10-01C-1.5-30油研YUKEN电机泵是一款高性能、重载、高可靠性的泵,适用于各种工业领域。其特点是采用了YUKEN独有的密封技术,能够长时间稳定运行,且不会出现泄漏或磨损等问题。此外


|
油研电机泵PM10-01B-0.75-30
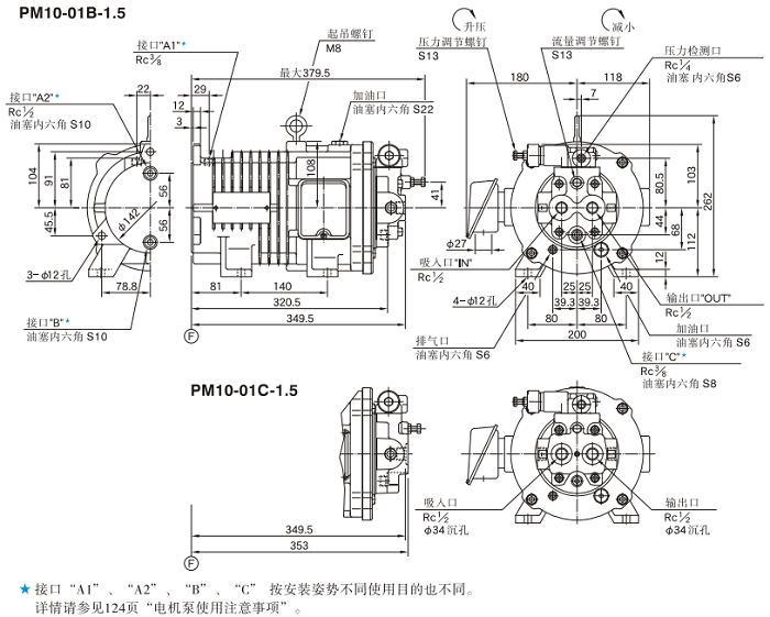
油研电机泵PM10-01B-1.5-30
油研电机泵PM10-01C-1.5-30
油研电机泵PM16-01B-1.5-30
油研电机泵PM16-01B-2.2-30
|
油研电机泵PM16-01C-1.5-30
油研电机泵PM16-01C-2.2-30
油研电机泵PM22-01B-2.2-30
油研电机泵PM22-01B-3.7-30
油研电机泵PM22-01C-2.2-30
|
油研电机泵PM22-01C-3.7-30
油研电机泵PM37-01B-3.7-30
油研电机泵PM37-01B-5.5-30
油研电机泵PM37-01C-3.7-30
油研电机泵PM37-01C-5.5-30
|